四通球閥產品概述
四通球閥是一種由閥體、閥蓋、閥座、球體和閥桿等組成的X形垂直通道的球閥,其閥芯為四通孔圓球型,中間對角線被一擋板隔開,形成兩路,球體的兩條90°流道呈X形布置,四個通道口均布于球體赤道圓周截面上,并與閥體上設有的四個連接口對應,當操作機構在閥桿上端施加一定的轉矩并傳遞給閥芯,使它沿順時針每旋轉90°時,能使相近的兩個流道實現兩兩相通。本產品能同時對兩種介質的流向進行切換,既方便又迅速,實現一閥多用的效果。
四通球閥大口徑一般采用中間閥體加四面法蘭連接體(即在每個通道口處各連有法蘭),小口徑則由左閥體與右閥蓋連接而成。該閥流路形式為X型二位四通,其球體內開設的直角或圓弧流道與閥體上的四個連接口對應,使四個方向的管路可以兩兩相通,從而大大減少球閥的安裝數量,進而縮減了接通或阻斷管路的操作步驟,并且節省了施工成本。本產品可根據工況需要配置手柄、蝸輪、氣動、電動、液動等驅動裝置,開閉位置點可以鎖定,防止誤操作。
四通球閥部件材料
| 序號 | 部件名稱 | 材料名稱 | ||||
| 1 | 閥 體 | WCB | CF8 | CF3 | CF8M | CF3M |
| 2 | 閥 蓋 | WCB | CF8 | CF3 | CF8M | CF3M |
| 3 | 閥 座 | R-PTFE、PTFE、TEFLON、NYLON、PPL、PEEK、DEVLON、不銹鋼+硬質合金 | ||||
| 4 | 球 體 | 2Cr13 | 304 | 304L | 316 | 316L |
| 5 | 閥 桿 | 2Cr13 | 304 | 304L | 316 | 316L |
| 6 | 填料壓蓋 | WCB | CF8 | CF3 | CF8M | CF3M |
| 7 | 填 料 | GRAPHITE、R-PTFE、PTFE、TEFLON、PCTFE | ||||
| 8 | 螺 栓 | 35CrMo | 304 | 304 | 316 | 316 |
| 9 | 螺 母 | 30CrMo | 304 | 304 | 316 | 316 |
四通球閥性能規范
| 公稱壓力PN(MPa) | 1.6 | 2.5 | 4.0 | 6.3 | 10.0 |
| 殼體試驗壓力(MPa) | 2.4 | 3.75 | 6.0 | 9.45 | 15.0 |
| 高壓液體密封試驗壓力(MPa) | 1.76 | 2.75 | 4.4 | 6.93 | 11.0 |
| 低壓氣體密封試驗壓力(MPa) | 0.4~0.7 | 0.4~0.7 | 0.4~0.7 | 0.4~0.7 | 0.4~0.7 |
| 設計制造 | GB/T 12237、GB/T 21385、API 608、ASME B16.34 | ||||
| 結構長度 | 按本廠標準Q/CB的規定或按訂貨合同要求 | ||||
| 連接法蘭 | JB/T 79、GB/T 9113、HG/T 20592、HG/T 20615、SH/T 3406、ASME B16.5等 | ||||
| 檢驗試驗 | GB/T 26480、JB/T 9092、API 598 | ||||
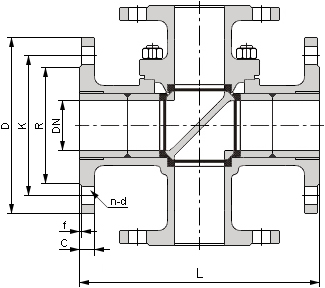
四通球閥主要尺寸
| 公稱壓力 PN | 公稱尺寸 DN | 外形及連接尺寸/mm | |||||
| L | D | K | R | C-f | n-d | ||
| 16 | 15 | 150 | 95 | 65 | 45 | 16-2 | 4-?14 |
| 20 | 164 | 105 | 75 | 58 | 18-2 | 4-?14 | |
| 25 | 180 | 115 | 85 | 68 | 18-2 | 4-?14 | |
| 32 | 200 | 140 | 100 | 78 | 18-2 | 4-?18 | |
| 40 | 220 | 150 | 110 | 88 | 18-2 | 4-?18 | |
| 50 | 240 | 165 | 125 | 102 | 18-2 | 4-?18 | |
| 65 | 260 | 185 | 145 | 122 | 18-2 | 4-?18 | |
| 80 | 280 | 200 | 160 | 138 | 20-2 | 8-?18 | |
| 100 | 320 | 220 | 180 | 158 | 20-2 | 8-?18 | |
| 125 | 380 | 250 | 210 | 188 | 22-2 | 8-?18 | |
| 150 | 440 | 285 | 240 | 212 | 22-2 | 8-?23 | |
| 200 | 550 | 340 | 295 | 268 | 24-2 | 12-?23 | |
| 250 | 670 | 405 | 355 | 320 | 26-2 | 12-?25 | |
| 300 | 720 | 460 | 410 | 378 | 28-2 | 12-?25 | |
| 表中未列出的其他規格尺寸,請咨詢汗越閥門技術部! | |||||||
四通球閥結構圖

如果你需訂購我廠三通球閥系列產品,咨詢時煩請注明公稱通徑、公稱壓力、閥體和內件材質、使用介質、工作溫度、法蘭標準及密封面型式等,本產品流路形式為X型通道口,應根據實際用途選擇配管組合,安裝前應首先根據閥門上的標示檢查是否符合使用要求。


