Y型三通球閥產品概述
Y型三通球閥是一種閥體進管口與兩出管口之間被設計成135°的夾角,球體內設有兩端開口成135°角的連接通道,進管口與出管口隨著球體的轉動實現與連接通道的導通或關閉,以達到對二種不同流向切換的閥門,其流道平坦,流體阻力小,流通能力強,切換時不會使介質滯留在流道內部,便于三通管道的清理。本產品主要用于Y型管路中改變介質流動方向,使其中的兩條相互連通或切斷,起換向的作用。
Y型三通球閥在閥體三個管口連接處設置有三個彎頭保護部,當介質從進口端沿彎頭管路通道高速流入時,其首先沖擊流進彎頭保護部內,相比于直接沖進管口內而言,減緩了流體直接沖擊在閥體內壁上的流動速度,降低了對顆粒狀物料造成的損壞,進而也對閥體內壁起到保護的作用,有助于延長閥門的使用時間。本產品也可根據輸送管線需要,將閥體設計成三管口互成120°角或兩出口之間夾角成60°或90°。
Y型三通球閥部件材料
| 序號 | 部件名稱 | 材料名稱 | ||||
| 1 | 閥 體 | ASTM A216 WCB | ASTM A351 CF8 | ASTM A351 CF3 | ASTM A351 CF8M | ASTM A351 CF3M |
| 2 | 彎 頭 | ASTM A216 WCB | ASTM A351 CF8 | ASTM A351 CF3 | ASTM A351 CF8M | ASTM A351 CF3M |
| 3 | 閥 座 | R-PTFE、PTFE、TEFLON、NYLON、PPL、PEEK、DEVLON、SST+HF | ||||
| 4 | 球 桿 | ASTM A351 CF8 | ASTM A351 CF8 | ASTM A351 CF3 | ASTM A351 CF8M | ASTM A351 CF3M |
| 5 | 閥 蓋 | ASTM A216 WCB | ASTM A351 CF8 | ASTM A351 CF3 | ASTM A351 CF8M | ASTM A351 CF3M |
| 6 | 填 料 | GRAPHITE、R-PTFE、PTFE、TEFLON、PCTFE | ||||
| 7 | 填料壓蓋 | ASTM A216 WCB | ASTM A351 CF8 | ASTM A351 CF3 | ASTM A351 CF8M | ASTM A351 CF3M |
| 8 | 下 端 蓋 | ASTM A216 WCB | ASTM A351 CF8 | ASTM A351 CF3 | ASTM A351 CF8M | ASTM A351 CF3M |
Y型三通球閥性能規范
| 公稱壓力Class | 150 | 300 | 600 | 900 | 1500 |
| 殼體試驗壓力(MPa) | 3.0 | 7.5 | 16.5 | 22.5 | 39.2 |
| 高壓液體密封試驗壓力(MPa) | 2.2 | 5.5 | 12.1 | 16.5 | 28.6 |
| 低壓氣體密封試驗壓力(MPa) | 0.4~0.7 | 0.4~0.7 | 0.4~0.7 | 0.4~0.7 | 0.4~0.7 |
| 設計制造 | GB/T 12237、GB/T 21385、API 608、ASME B16.34 | ||||
| 結構長度 | 按本廠標準Q/CB的規定或按訂貨合同要求 | ||||
| 連接法蘭 | JB/T 79、GB/T 9113、HG/T 20592、HG/T 20615、SH/T 3406、ASME B16.5等 | ||||
| 檢驗試驗 | GB/T 26480、JB/T 9092、API 598 | ||||
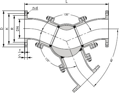
Y型三通球閥主要尺寸
| 公稱壓力 Class | 公稱尺寸 NPS | 外形及連接尺寸/mm | |||||
| L | D | K | R | C-f | n-d | ||
| 150 (PN20) | 1 ? | 310 | 125 | 98.4 | 73.0 | 15.9-1.6 | 4-?16 |
| 2 | 340 | 150 | 120.7 | 92.1 | 17.5-1.6 | 4-?19 | |
| 2 ? | 400 | 180 | 139.7 | 104.8 | 20.7-1.6 | 4-?19 | |
| 3 | 410 | 190 | 152.4 | 127.0 | 22.3-1.6 | 4-?19 | |
| 4 | 460 | 230 | 190.5 | 157.2 | 22.3-1.6 | 8-?19 | |
| 5 | 560 | 255 | 215.9 | 185.7 | 22.3-1.6 | 8-?22.5 | |
| 6 | 660 | 280 | 241.3 | 215.9 | 23.9-1.6 | 8-?22.5 | |
| 8 | 800 | 345 | 298.5 | 269.9 | 27.0-1.6 | 8-?22.5 | |
| 10 | 1030 | 405 | 362.0 | 323.8 | 28.6-1.6 | 12-?25.5 | |
| 12 | 1140 | 485 | 431.8 | 381.0 | 30.2-1.6 | 12-?25.5 | |
| 14 | 1257 | 535 | 476.3 | 412.8 | 33.4-1.6 | 12-?28.5 | |
| 表中未列出的其他規格尺寸,請咨詢汗越閥門技術部! | |||||||
Y型三通球閥結構圖

如果你需訂購我廠其他三通球閥產品,咨詢時煩請注明規格型號,或說明公稱尺寸、公稱壓力、閥體和內件材質、使用介質、工作溫度、分歧角度(30°、45°、60°、90°、120°等)、法蘭標準及驅動方式等。本產品有軟密封和硬密封兩種。


